AR-YCPG11F
Доступен для скачивания
краткий каталог продукции:
Клапан соленоидный нормально закрытый фланцевый непрямого действия с поршнем AR-YCPG11F предназначен для управления потоком рабочей среды в трубопроводе
Особенности:
Модификации:
Расшифровка обозначения на примере клапана AR-YCPG11-25F-1-XYZ:
AR-YCPG11 – модель клапана.
25F – диаметр условного прохода в мм.
1 – размер резьбы в дюймах.
X – присоединение: F – фланцевое.
Y – материал корпуса: S – нержавеющая сталь.
Z – материал уплотнения: P – PTFE.
Версия: 2025-10-29-СДГ
Особенности:
- Специальная конструкция с охлаждающим радиатором позволяет использовать клапан при температуре рабочей среды до +300°С
- Специальная модификация PTFE, устойчивая к высоким температурам в течение продолжительного времени
- Защита трубопровода от гидравлических ударов благодаря специальной конструкции клапана
Для защиты клапана от попадания инородных частиц необходима установка фильтра механической очистки перед входным отверстием соленоидного клапана
Принцип действия и область применения:
Технические характеристики:
Нормально закрытый соленоидный клапан – это магнитный клапан, в котором закрытое положение сохраняется, если управляющее напряжение на его индукционную катушку не подается. При подаче напряжения на катушку нормально закрытый клапан открывается и пропускает через себя поток рабочей среды. При отключении управляющего напряжения этот клапан автоматически закрывается и перекрывает поток рабочей среды в трубопроводе. При обрыве провода управляющего напряжения клапан будет закрыт.
В большинстве случаев подходит для эксплуатации в системах водоснабжения, теплоснабжения, вентиляции и пневмоуправления. Особенно актуально применение данного типа клапана, когда клапан должен быть закрыт большую часть времени либо когда он обязательно должен быть закрыт при отключении электропитания системы.
В большинстве случаев подходит для эксплуатации в системах водоснабжения, теплоснабжения, вентиляции и пневмоуправления. Особенно актуально применение данного типа клапана, когда клапан должен быть закрыт большую часть времени либо когда он обязательно должен быть закрыт при отключении электропитания системы.
| Параметр
| Значение
| |
| Рабочая среда | Пар, вода, горячая вода, масла | |
| Материал | Корпуса | Нержавеющая сталь
|
| Уплотнения | PTFE | |
| Температура рабочей среды | −5…+300°С
| |
| Температура окружающей среды | −30…+50°С | |
| Рабочее давление | 0,05...1,6 МПа | |
| Диаметр условного прохода | 25...50 мм | |
| Присоединение | Фланцевое F1"...F2" | |
| Катушка | Y21H, IP54 | |
| Питание | ~220 В, ~110 В, ~24 В
=24 В, =12 В, =6 В | |
| Мощность
| 21 ВА (АС), 20 Вт (DC)
| |
| Модель | Ду, мм | Kv, м³/ч
| Присоединение | Pmin , МПа | Pmax , МПа | Вес, г
|
| AR-YCPG11-25F-1-FSP
| 25
| 10
| F1" | 0,05
| 1,6
| 3500
|
| AR-YCPG11-32F-1.1/4-FSP
| 32
| 20
| F1¼" | 6300
| ||
| AR-YCPG11-40F-1.1/2-FSP
| 40
| 25
| F1½" | 6700
| ||
| AR-YCPG11-50F-2-FSP
| 50
| 41
| F2"
| 8300
|
AR-YCPG11 – модель клапана.
25F – диаметр условного прохода в мм.
1 – размер резьбы в дюймах.
X – присоединение: F – фланцевое.
Y – материал корпуса: S – нержавеющая сталь.
Z – материал уплотнения: P – PTFE.
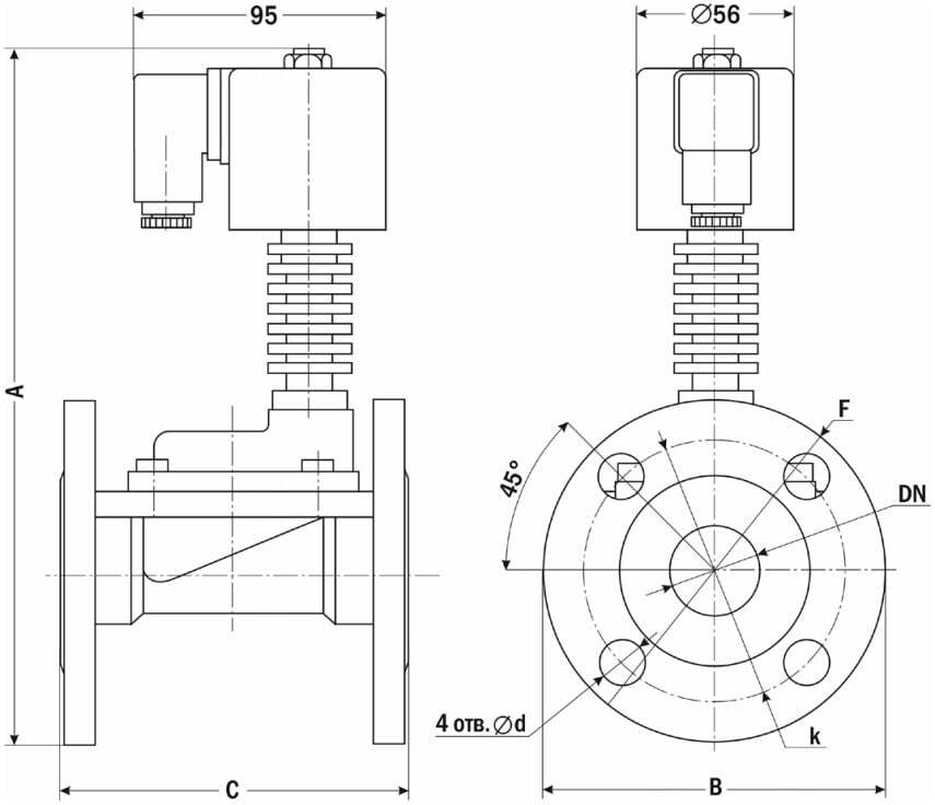
| Габаритные размеры |
|
| Размер, мм
| AR-YCPG11, Ду, мм
| |||
| -25F | -32F | -40F | -50F | |
| A
| 243
| 268
| 270
| 280
|
| B
| 110
| 130
| 140
| 154
|
| C
| 124
| 158
| 160
| 185
|
| d
| 14
| 18
| 18
| 18
|
| DN
| 25
| 32
| 40
| 50
|
| F
| F1" | F1¼" | F1½" | F2" |
| k
| 85
| 100
| 109
| 125
|
Версия: 2025-10-29-СДГ
| Документ | Дата обновления |
| Паспорт на YCPG11F | 07.03.2025 |