AR-YCB11
Доступен для скачивания
краткий каталог продукции:
Клапан соленоидный нормально закрытый непрямого действия с диафрагмой AR-YCB11 предназначен для управления потоком рабочей среды в трубопроводе
Особенности:
Модификации:
Расшифровка обозначения на примере клапана AR-YCB11-15-1/2-XYZ:
AR-YCB11 – модель клапана.
15 – диаметр условного прохода в мм.
1/2 – размер резьбы в дюймах.
X – присоединение: G – трубная резьба.
Y – материал корпуса: B – латунь.
Версия: 2025-10-29-СДГ
Особенности:
- Работа при высоком давлении до 1,6 МПа
- Защита трубопровода от гидравлических ударов благодаря специальной конструкции клапана
- Высокая износостойкость
Для герметизации резьбовых металлических соединений рекомендуется использование анаэробных герметиков
Для защиты клапана от попадания инородных частиц необходима установка фильтра механической очистки перед входным отверстием соленоидного клапана
Принцип действия и область применения:Нормально закрытый соленоидный клапан – это магнитный клапан, в котором закрытое положение сохраняется, если управляющее напряжение на его индукционную катушку не подается. При подаче напряжения на катушку нормально закрытый клапан открывается и пропускает через себя поток рабочей среды. При отключении управляющего напряжения этот клапан автоматически закрывается и перекрывает поток рабочей среды в трубопроводе. При обрыве провода управляющего напряжения клапан будет закрыт.
В большинстве случаев подходит для эксплуатации в системах водоснабжения, теплоснабжения, вентиляции и пневмоуправления. Особенно актуально применение данного типа клапана, когда клапан должен быть закрыт большую часть времени либо когда он обязательно должен быть закрыт при отключении электропитания системы.Технические характеристики:
В большинстве случаев подходит для эксплуатации в системах водоснабжения, теплоснабжения, вентиляции и пневмоуправления. Особенно актуально применение данного типа клапана, когда клапан должен быть закрыт большую часть времени либо когда он обязательно должен быть закрыт при отключении электропитания системы.Технические характеристики:
| Параметр
| Значение
| |
| Рабочая среда | Вода, горячая вода, воздух, инертные газы, масла | |
| Материал | Корпуса | Латунь
|
| Уплотнения | VITON | |
| Температура рабочей среды | −10...+120°С
| |
| Рабочее давление | 0,03...1,6 МПа | |
| Диаметр условного прохода | 15 мм | |
| Присоединение | Резьбовое G½"
| |
| Катушка | S91H, IP54
| |
| Питание | ~380 В, ~220 В, ~110 В, ~36 В, ~24 В,
=24 В, =12 В, =6 В | |
| Мощность
| S91H: 10 ВА (АС), 20 ВА (АС), 14 Вт (DC)
| |
Модификации:
| Модель | Ду, мм | Kv, м³/ч
| Присоединение | Pmin , МПа | Pmax , МПа | Вес, г
|
| AR-YCB11-15-1/2-GBV
| 15
| 4,5
| ½" | 0,03
| 1,6
| 1000
|
AR-YCB11 – модель клапана.
15 – диаметр условного прохода в мм.
1/2 – размер резьбы в дюймах.
X – присоединение: G – трубная резьба.
Y – материал корпуса: B – латунь.
Z – материал уплотнения: V – VITON.
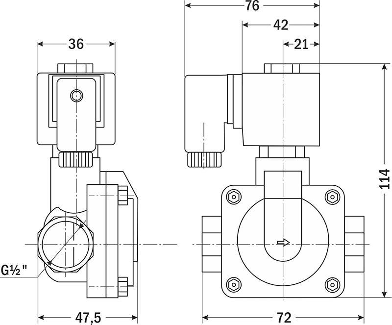
| Габаритные размеры |
![]() |
| Документ | Дата обновления |
| Паспорт на AR-YCB11 | 11.11.2023 |
