КПР-3Ф с ручным приводом
Доступен для скачивания
краткий каталог продукции:
Кран шаровой фланцевый с ручным приводом КПР-3Ф предназначен для управления потоком рабочей среды в трубопроводе
Особенности:
Модификации:
Расшифровка обозначения на примере крана КПР-3Ф-015 XYZ:
КПР-3Ф – модель крана.
015 – диаметр условного прохода в мм.
X – присоединение: F – фланцевое.
Y – материал корпуса: S – нержавеющая сталь.
Версия: 2024-01-26-ЛВС
Особенности:
- Угол полного поворота: 90°
- Долгий срок службы
- Внимание! Если у крана и привода различаются посадочные размеры, то для соединения потребуется монтажный комплект и переходники (не входят в комплект поставки). Менеджеры подбирают их дополнительно при заказе
Для защиты прибора от попадания инородных частиц необходима установка фильтра механической очистки перед входным отверстием крана
Для герметизации резьбовых/фланцевых металлических соединений рекомендуется использование анаэробных герметиков
Для герметизации резьбовых/фланцевых металлических соединений рекомендуется использование анаэробных герметиков
| Параметр
| Значение
|
| Рабочая среда | Вода, горячая вода, воздух, инертные газы, природный газ, масла, азотная кислота, уксус |
| Материал | Корпуса: нержавеющая сталь
Уплотнения: PTFE |
| Температура рабочей среды | −20...+150°C |
| Рабочее давление | 0...4 МПа
|
| Диаметр условного прохода | 15...80 мм |
| Присоединение крана
| Фланцевое F½"...F3" |
| Стандарт присоединения крана к приводу | ISO5211 |
| Модель ручного привода | ПРК2
|
Модификации:
| Модель
| Ду, мм
| Kv, м³/ч
| Присоединение
| Посадочный размер, мм
| Вес, г
|
| КПР-3Ф-015 FSP
| 15
| 20
| F½"
| 9×9
| 1600
|
| КПР-3Ф-020 FSP | 20
| 38
| F¾"
| 9×9
| 2300
|
| КПР-3Ф-025 FSP | 25
| 69
| F1"
| 11×11
| 2900
|
| КПР-3Ф-032 FSP | 32
| 93
| F1¼"
| 11×11
| 4400
|
| КПР-3Ф-040 FSP | 40
| 144
| F1½"
| 14×14
| 5600
|
| КПР-3Ф-050 FSP | 50
| 229
| F2"
| 14×14
| 8000
|
| КПР-3Ф-065 FSP | 65
| 404
| F2½"
| 17×17
| 11 100
|
| КПР-3Ф-080 FSP | 80
| 573
| F3"
| 17×17
| 18 000
|
| КПР-3Ф-100 FSP | 100 | 936 | F4" | 17×17 | 22 000 |
КПР-3Ф – модель крана.
015 – диаметр условного прохода в мм.
X – присоединение: F – фланцевое.
Y – материал корпуса: S – нержавеющая сталь.
Z – материал уплотнения: P – PTFE.
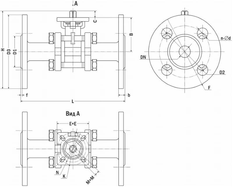
Таблица выбора привода для крана КПР-3Ф
| Габаритные размеры
|
|
| Модель
| Размеры, мм
| |||||||||||||||
| F
| DN
| B
| b
| C
| D1
| D2
| D3
| E×E | f
| H
| L
| M×M
| n-∅ d
| N
| K
| |
| КПР-3Ф-015
| F½"
| 15
| 40
| 11
| 11,5
| 42
| 65
| 93
| 43×43
| 1,5
| 98
| 129
| 9×9
| 4-∅ 14
| 36
(F03) | 42
(F04) |
| КПР-3Ф-020
| F¾"
| 20
| 44
| 18
| 12
| 58
| 75
| 103
| 43×43 | 2
| 108
| 150
| 9×9
| 4-∅ 14
| 36
(F03) | 42
(F04) |
| КПР-3Ф-025
| F1"
| 25
| 52
| 18
| 13
| 67
| 85
| 115
| 49×49 | 2
| 160
| 156
| 11×11
| 4-∅ 14
| 42
(F04) | 50
(F05) |
| КПР-3Ф-032
| F1¼"
| 32
| 65
| 15,5
| 12
| 74
| 100
| 132
| 49×49 | 2,5
| 145
| 176
| 11×11
| 4-∅ 18
| 42
(F04) | 50
(F05) |
| КПР-3Ф-040
| F1½" | 40
| 80
| 14
| 14
| 82
| 110
| 145
| 66×66
| 2
| 167
| 193
| 14×14
| 4-∅ 18
| 50
(F05) | 70
(F07) |
| КПР-3Ф-050
| F2"
| 50
| 80
| 17
| 16
| 98
| 125
| 160
| 69×69
| 4
| 175
| 230
| 14×14
| 4-∅ 18
| 50
(F05) | 70
(F07) |
| КПР-3Ф-065 | F2½"
| 65
| 97
| 20
| 17,5
| 117
| 145
| 182
| 94×94 | 3
| 205
| 293
| 17×17 | 8-∅ 18 | 70
(F07) | 102
(F10) |
| КПР-3Ф-080 | F3"
| 80
| 115
| 20
| 20
| 132
| 160
| 195
| 95×95
| 2,5
| 230
| 313
| 17×17
| 8-∅ 18
| 70
(F07) | 102
(F10) |
| КПР-3Ф-100 | F4"
| 100
| 120
| 23
| 21
| 156
| 190
| 234
| 93×93
| 2,5
| 275
| 347
| 17×17
| 8-∅ 22
| 70
(F07) | 102
(F10) |
Версия: 2024-01-26-ЛВС
| Документ | Дата обновления |
| Паспорт на КПР-3Ф | 22.06.2025 |