КПР-Б7 с электроприводом ЭПР1
Доступен для скачивания
краткий каталог продукции:
Дисковый поворотный затвор КПР-Б7 с электроприводом ЭПР1 предназначен для управления потоком рабочей среды в трубопроводе
Особенности:
Модификации:
Расшифровка обозначения на примере затвора КПР-Б7-050 XYZ:
КПР-Б7 – модель затвора.
050 – Ду, мм (диаметр условного отверстия).
X – присоединение: W – межфланцевое.
Y – материал корпуса: H – чугун.
Z – материал уплотнения: E – EPDM
Особенности:
- Угол полного поворота: 90°
- Бесшумная работа
- Долгий срок службы
- Простая установка
- Внимание! Если у крана и привода различаются посадочные размеры, то для соединения потребуется монтажный комплект и переходники (не входят в комплект поставки). Менеджеры подбирают их дополнительно при заказе
Для защиты прибора от попадания инородных частиц необходима установка фильтра механической очистки перед входным отверстием крана
Для герметизации резьбовых/фланцевых металлических соединений рекомендуется использование анаэробных герметиков
Для герметизации резьбовых/фланцевых металлических соединений рекомендуется использование анаэробных герметиков
| Параметр
| Значение
|
| Рабочая среда | Вода, горячая вода, воздух, инертные газы, природный газ, азотная кислота, уксус |
| Материал
| Корпуса: чугун
Диска: чугун Уплотнения: EPDM |
| Температура рабочей среды
| −10...+120°C |
| Рабочее давление | 0,0...1,6 МПа |
| Диаметр условного прохода | 50...350 мм |
| Присоединение затвора
| межфланцевое |
| Стандарт присоединения крана к приводу
| ISO5211 |
| Модель электропривода | ЭПР1 |
| Питание электропривода | ~220 В, =24 В или от трехфазной сети ~380 В |
Модификации:
| Модель
| Ду, мм
| Kv, м³/ч
| Присоединение
| Посадочный размер, мм
| Вес, г
|
| КПР-Б7-050 WYZ
| 50
| 105
| W2"
| 11×11
| 2290
|
| КПР-Б7-065 WYZ
| 65
| 176
| W2,5"
| 11×11
| 3027
|
| КПР-Б7-080 WYZ | 80
| 265
| W3"
| 11×11
| 3041
|
| КПР-Б7-100 WYZ | 100
| 594
| W4"
| 11×11
| 4442
|
| КПР-Б7-125 WYZ | 125
| 950
| W5"
| 14×14
| 6100
|
| КПР-Б7-150 WYZ | 150
| 1622
| W6"
| 14×14 | 7520
|
| КПР-Б7-200 WYZ | 200
| 2957
| W8" | 17×17 | 12 330
|
| КПР-Б7-250 WYZ | 250
| 4711
| W10" | 22×22
| 18 800
|
| КПР-Б7-300 WYZ | 300
| 7126
| W12" | 22×22
| 29 450
|
| КПР-Б7-350 WYZ | 350
| 10 205
| W14" | 22×22 | 41 300
|
КПР-Б7 – модель затвора.
050 – Ду, мм (диаметр условного отверстия).
X – присоединение: W – межфланцевое.
Y – материал корпуса: H – чугун.
Z – материал уплотнения: E – EPDM
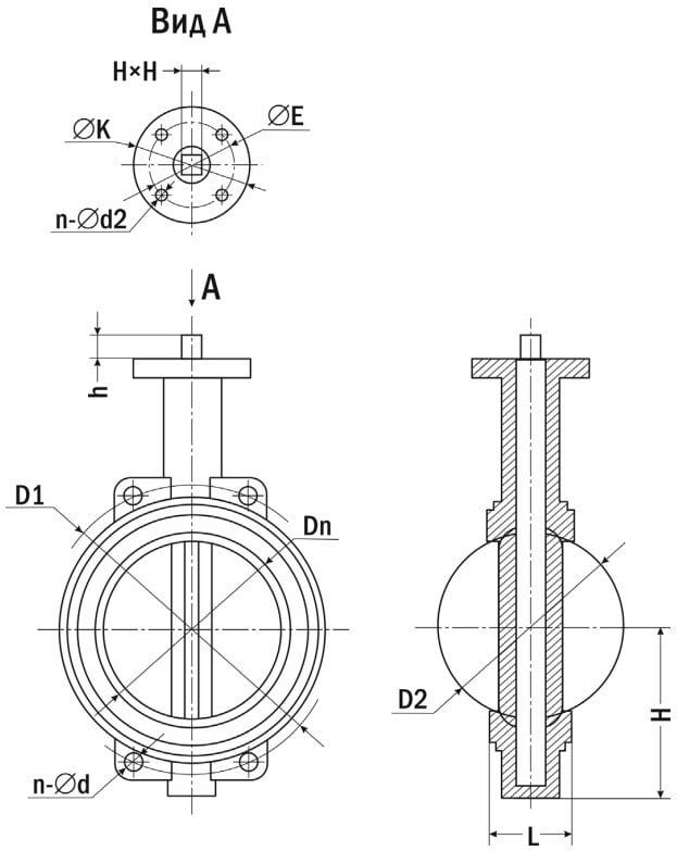
Таблица выбора привода для крана КПР-Б7
| Габаритные размеры
|
|
| Модель
| Размеры, мм
| |||||||||||
| ISO
5211 | Dn
| D1
| D2
| H
| h
| L
| n-∅ d
| n-∅ d2
| H×H
| ∅ E
| ∅ K
| |
| КПР-Б7-050
| F07
| 50
| 125
| 53
| 80
| 14
| 42
| 4-18
| 4-10
| 11×11
| 70
| 90
|
| КПР-Б7-065
| F07
| 65
| 145
| 64,5
| 89
| 14
| 45
| 4-18
| 4-10
| 11×11
| 70
| 90
|
| КПР-Б7-080
| F07
| 80
| 160
| 79
| 95
| 14
| 45
| 8-18
| 4-10
| 11×11
| 70
| 90
|
| КПР-Б7-100
| F07
| 100
| 180
| 104
| 114
| 14
| 52
| 8-18
| 4-10
| 11×11
| 70
| 90
|
| КПР-Б7-125
| F07
| 125
| 210
| 123
| 127
| 17
| 54
| 8-18
| 4-10
| 14×14
| 70
| 90
|
| КПР-Б7-150
| F07
| 150
| 240
| 156
| 139
| 17
| 56
| 8-22
| 4-10
| 14×14
| 70
| 90
|
| КПР-Б7-200
| F10
| 200
| 295
| 202,5
| 175
| 22
| 61
| 8-22
| 4-12
| 17×17
| 102
| 125
|
| КПР-Б7-250
| F10
| 250
| 350
| 250,5
| 203
| 25
| 66
| 12-22
| 4-12
| 22×22
| 102
| 125
|
| КПР-Б7-300
| F10
| 300
| 400
| 302
| 242
| 25
| 76,5
| 12-22
| 4-12
| 22×22
| 102
| 125
|
| КПР-Б7-350
| F10
| 350
| 460
| 333
| 267
| 25
| 77
| 16-22
| 4-12
| 22×22
| 102
| 125
|
Версия: 2025-05-19-СДГ
| Документ | Дата обновления |
| Паспорт на КПР-Б7 | 12.07.2025 |