ПЭР-1000Р
Доступен для скачивания
краткий каталог продукции:
Позиционный электропневматический регулятор ПЭР-1000Р предназначен для преобразования сигнала 4…20 мА в пневматический сигнал управления приводом клапана
Особенности:
- Для управления пневмоприводами ППР1 и ППР2
- Устойчивость к ударным и вибрационным нагрузкам
| Параметр | Значение
| |
| Управляющий сигнал
| 4...20 мА
| |
| Сигнал обратной связи (модель ПЭР-1000РС) | 4...20 мА | |
| Входное сопротивление
| 250 ± 15 Ом
| |
| Управляющее давление сжатого воздуха
| 0,14...0,7 МПа
| |
| Угол полного поворота
| 90°
| |
| Присоединение воздуховодов (вход, выходы)
| ¼"
| |
| Присоединение манометра
| ⅛"
| |
| Кабельный ввод
| ½"
| |
| Потребление воздуха
| 3 л/мин (при 0,14 МПа) | |
| Пропускная способность
| 80 л/мин (при 0,14 МПа) | |
| Степень защиты
| IP66 | |
| Температура эксплуатации
| −20...+70°C | |
| Материал корпуса корпуса
| Алюминий с полимерным покрытием
| |
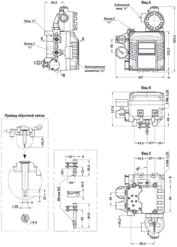
| Габаритные размеры
| 224,3×167×117,5 мм
| |
| Вес
| 2,8 кг
| |
| Габаритные размеры
|
|
Версия: 2023-12-08-ЛВС
| Документ | Дата обновления |
| Паспорт на ПЭР | 09.12.2023 |