ППР2
Доступен для скачивания
краткий каталог продукции:
Пневмопривод двустороннего действия ППР2 для управления кранами и затворами, присоединяемыми по стандарту ISO 5211 и управляемыми по стандарту NAMURОсобенности:
- Подходят для кранов и затворов серий КПР
- Управляются сжатым воздухом
- Двустороннего действия – возврат поршней с помощью давления воздуха
- Устанавливаются вертикально присоединением ISO 5211 вниз
- 2 болта для подстройки крайних положений клапана на ±5°
- Возможность установки на привод позиционного электро пневматического регулятора ПЭР-1000Р, ручного привода-дублера РПДП, блока индикации положения БИП
- Долгий срок службы
- Бесшумная работа
- Обратите внимание! Конструктив модели ППР-032 не допускает одновременную установку пневмораспределителя NAMUR и блока индикации положения БИП. Возможна установка только одного из этих навесных компонентов.
| Параметр | Значение |
| Рабочая среда
| Сухой воздух или воздух с примесью масла, инертные газы, не агрессивные к материалам привода
|
| Тонкость очистки воздуха
| 30 мкм (5 мкм – при использовании позиционного электропневматического регулятора)
|
| Температура рабочей среды
| −5…+80°С |
| Рабочее давление
| 0,3...0,8 МПа |
| Присоединение воздуховодов
| G⅛", G¼", G⅜", G½", G¾" |
| Угол полного поворота
| 90°
|
| Уплотнение
| NBR
|
| Материал корпуса
| Алюминиевый сплав
|
| Модель привода | Посадочный размер, мм | Крутящий момент, Н∙м
| Время открытия, с
| Время закрытия, с
| Объем воздуха
на открытие, л | Объем воздуха на закрытие, л
| Вес, г
|
| ППР2-032
| 9×9
| 11
| 0,1±0,05
| 0,1±0,05 | 0,035
| 0,045
| 570
|
| ППР2-040
| 9×9 | 17
| 0,1±0,05
| 0,1±0,05 | 0,062
| 0,082
| 780
|
| ППР2-052
| 11×11
| 28
| 0,1±0,05
| 0,1±0,05 | 0,09
| 0,12
| 1300
|
| ППР2-063
| 14×14
| 50
| 0,2±0,05
| 0,15±0,05 | 0,14
| 0,2
| 2000
|
| ППР2-075
| 14×14
| 71
| 0,3±0,05
| 0,3±0,05 | 0,21
| 0,3
| 2500
|
| ППР2-083
| 17×17
| 108
| 0,35±0,05
| 0,4±0,05 | 0,29
| 0,41
| 3100
|
| ППР2-092
| 17×17
| 155
| 0,45±0,1
| 0,6±0,1 | 0,49
| 0,71
| 4200
|
| ППР2-105
| 22×22
| 230
| 0,8±0,15
| 0,8±0,15 | 0,7
| 0,99
| 5700
|
| ППР2-125
| 22×22
| 359
| 1,2±0,3
| 1,4±0,3
| 1,4
| 1,6
| 8700
|
| ППР2-140
| 27×27
| 614
| 2±0,3
| 1,9±0,3
| 1,7
| 2,4
| 12700
|
| ППР2-160
| 27×27
| 936
| 2,2±0,4
| 2,5±0,4
| 2,6
| 3,7
| 18700
|
| ППР2-190
| 36×36
| 1508
| 4,2±0,5
| 4,6±0,5
| 4,2
| 5,9
| 30 500
|
| ППР2-210
| 36×36
| 1842
| 9±0,7
| 9±0,7 | 5,7
| 8,2
| 35200
|
| ППР2-240
| 46×46
| 2849
| 9±0,8
| 12,5±0,8
| 9
| 12,8
| 65 500
|
| ППР2-270
| 46×46 | 4569
| 14±1
| 13,5±1
| 12,6
| 17,9
| 91 000
|
| ППР2-300
| 46×46 | 5608
| 19±1,5
| 20,5±1,5
| 21,4
| 30
| 114 500
|
| ППР2-350
| 46×46 | 8397
| 26±2
| 28±2
| 31,2
| 43,7
| 160 500
|
| ППР2-400
| 55×55
| 11 964
| 44±4
| 43±4
| 47,9
| 67,1
| 283 000
|
Таблица выбора пневмопривода ППР2:
| Модель пневмопривода
| Max Ду крана/затвора КПР, мм | ||||||||||
| -2 | -3 | -2Ф | -3Ф | -Т3 | -Т3Ф | -Б7 | -Б8 | -Б9 | |||
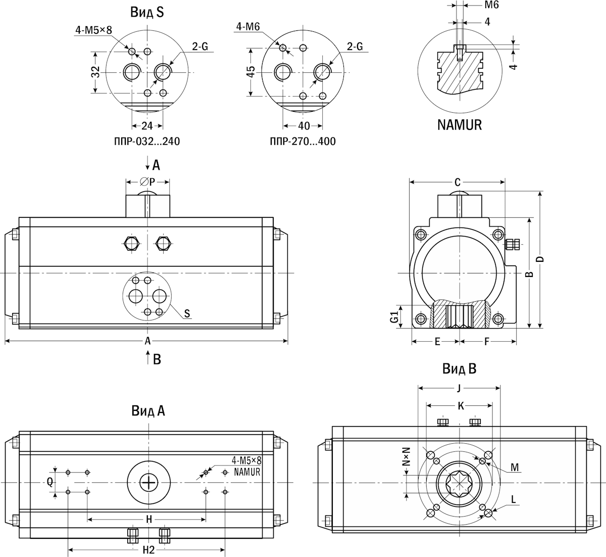
![]() | ![]() | ![]() | ![]() | ![]() | ![]() | ![]() | ![]() | ![]() | |||
| ППР2-032 | 15
| − | −
| 8-15
| − | − | − | − | |||
| ППР2-040 | 20, 25
| 15, 20 ,25 | 15, 20, 25, 32
| 20-25
| − | 50
| − | − | |||
| ППР2-052 | 32
| 25-32
| 32
| − | 65-80
| − | − | ||||
| ППР2-063 | 40-50
| 40-50
| 40-50
| − | 100
| 50 | 50-80 | ||||
| ППР2-075 | 40-50
| 40-50
| 40-50
| − | 125
| 100 | 100 | ||||
| ППР2-083 | 65-80
| 65-80
| 65-80
| − | 125
| − | − | ||||
| ППР2-092 | 65-80
| 65-80
| 65-100 | 65-80
| 50-65
| 125
| − | − | |||
| ППР2-105 | 100
| 100
| − | 100
| 50-100
| 150-200
| − | − | |||
| ППР2-125 | − | −
| −
| 50-100
| 250
| 150 | − | ||||
| ППР2-140 | − | −
| −
| 50-100
| 300
| − | − | ||||
| ППР2-160 | − | −
| −
| − | 350
| − | − | ||||
| ППР2-190 | − | −
| −
| − | 400
| − | − | ||||
| ППР2-210 | − | − | − | − | 450
| − | − | ||||
| ППР2-240 | − | − | − | − | 500
| − | − | ||||
| ППР2-270 | − | − | − | − | 600
| − | − | ||||
| ППР2-300 | − | − | − | − | 700
| − | − | ||||
| ППР2-350 | − | − | − | − | 800-900
| − | − | ||||
| ППР2-400 | − | − | − | − | 800-900
| − | − | ||||
Рекомендуется устанавливать на кран соответствующий ему тип привода ППР2 из таблицы. Также возможна установка приводов на один или два типоразмера больше номинального с применением переходников ПП44 и ПП84. То есть на кран КПР-2-025 можно поставить ППР2-040, а при необходимости (высокое давление среды, срочная замена и т.д.) возможно установить и ППР2-052, -063.
Если посадочный размер привода больше посадочного размера крана, то нужно использовать переходник типа «звезда-квадрат» ПП84, при необходимости в комбинации с переходником «квадрат-квадрат» ПП44.
Если посадочный размер привода больше посадочного размера крана, то нужно использовать переходник типа «звезда-квадрат» ПП84, при необходимости в комбинации с переходником «квадрат-квадрат» ПП44.
Кроме того, если у крана и привода различаются посадочные размеры, то для соединения используются монтажные комплекты и переходники (не входят в комплект поставки). Менеджеры подбирают их дополнительно при заказе.
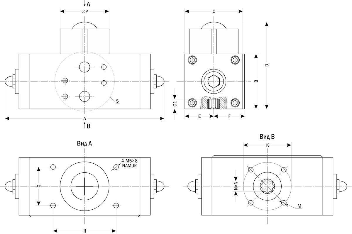
| Габаритные и присоединительные размеры |
ППР2-032 |
![]() |
| Модель
| G*
| Размеры, мм
| |||||||||||||||
| A
| B
| C
| D
| E
| F
| G1
| H
| Н2 | J
| K
| L
| M
| N×N
| ∅ P
| Q
| ||
| ППР2-032
| ⅛"
| 130
| 45
| 49
| 71
| 23
| 25
| 16,5
| 25
| − | − | 36 (F03) | − | M5×5
| 9×9
| 40
| 25
|
| ППР2-040
| ⅛"
| 123
| 60
| 45
| 87
| 22
| 34
| 14,5
| 50
| − | 50 (F05)
| 36 (F03) | M6×9
| M5×8
| 9×9 | 40
| 30
|
| ППР2-052
| ¼"
| 153
| 72
| 65
| 99
| 26
| 42
| 17
| 80
| − | 50 (F05)
| 36 (F03)
| M6×9
| M5×8
| 11×11
| 40
| 30
|
| ППР2-063
| ¼"
| 172
| 88
| 73
| 114
| 33
| 47
| 18
| 80
| − | 70 (F07)
| 50 (F05)
| M8×12
| M6×9
| 14×14
| 40
| 30
|
| ППР2-075
| ¼"
| 187
| 100
| 82
| 126
| 37
| 55
| 20
| 80
| − | 70 (F07)
| 50 (F05)
| M8×12
| M6×9
| 14×14
| 40
| 30
|
| ППР2-083
| ¼"
| 215
| 110
| 92
| 135
| 39,5
| 56,5
| 21
| 80
| − | 70 (F07)
| 50 (F05)
| M8×12
| M6×9
| 17×17
| 40
| 30
|
| ППР2-092
| ¼"
| 270
| 118
| 98
| 144
| 45
| 58,5
| 21
| 80
| − | 70 (F07)
| 50 (F05)
| M8×12
| M6×10
| 17×17
| 40
| 30
|
| ППР2-105
| ¼"
| 278
| 134
| 116
| 162
| 51
| 65
| 30
| 80
| − | 102 (F10)
| 70 (F07)
| M10×15
| M8×12
| 22×22
| 40
| 30
|
| ППР2-125
| ¼"
| 309
| 163
| 130
| 193
| 60
| 73,5
| 30
| 80
| 130 | 102 (F10)
| 70 (F07)
| M10×15
| M8×12
| 22×22
| 51,5
| 30
|
| ППР2-140
| ¼"
| 405
| 174
| 139
| 211
| 65
| 77
| 33
| 80
| 130 | 125 (F12)
| 102 (F10)
| M12×20
| M10×15
| 27×27
| 57
| 30
|
| ППР2-160
| ¼"
| 468
| 198
| 159
| 236
| 74
| 87
| 33
| 80
| 130 | 125 (F12) | 102 (F10)
| M12×20
| M10×15
| 27×27
| 57
| 30
|
| ППР2-190
| ¼"
| 528
| 235
| 185
| 275
| 87
| 103
| 45
| − | 130 | 140 (F14)
| − | M16×22
| − | 36×36
| 80
| 30
|
| ППР2-210
| ¼"
| 528
| 255
| 210
| 295
| 97
| 118
| 48
| −
| 130 | 140 (F14)
| − | M16×24
| − | 36×36
| 80
| 30
|
| ППР2-240
| ⅜"
| 622
| 291
| 245
| 314,5
| 115
| 130
| 50
| 130
| − | 165 (F16)
| − | M20×26
| − | 46×46
| 80
| 30
|
| ППР2-270
| ½"
| 766
| 330
| 273
| 355,5
| 126
| 147
| 50
| 130
| − | 165 (F16)
| − | M20×26
| − | 46×46
| 80
| 30
|
| ППР2-300
| ½"
| 794
| 354
| 312
| 379,5
| 140
| 173
| 57
| 130
| − | 165 (F16)
| − | M20×26
| − | 46×46
| 80
| 30
|
| ППР2-350
| ½"
| 880
| 410
| 362
| 435,5
| 164
| 195
| 60
| 130
| − | 165 (F16)
| − | M20×26
| − | 46×46
| 80
| 30
|
| ППР2-400
| ¾"
| 1076
| 466
| 450
| 491,5
| 145
| 145
| 60
| 130
| − | 254 (F25)
| − | M20×26
| − | 55×55
| 80
| 30
|
Версия: 2025-06-21-СДГ
| Документ | Дата обновления |
| Паспорт на ППР2 | 22.06.2025 |









