ПК12-1
Доступен для скачивания
краткий каталог продукции:
Пневматический клапан нормально открытый одностороннего действия с поршнем ПК12-1 предназначен для управления потоком рабочей среды в трубопроводе
Особенности:
Модификации:
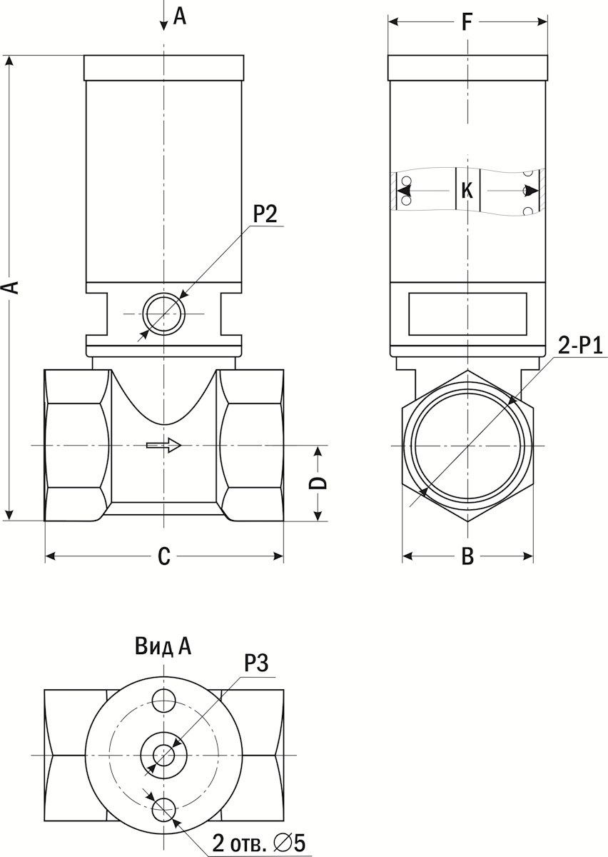
Расшифровка обозначения на примере клапана ПК12-1-032х015 XYZ:
ПК12 – модель клапана.
1 – тип клапана: одностороннего действия.
032 – внутренний диаметр привода.
015 – Ду, мм (диаметр условного прохода).
X – присоединение: G – трубная резьба.
Y – материал корпуса: B – латунь.
Z – материал уплотнения: P – PTFE
Версия: 2026-03-19-СДГ
Особенности:
- Клапан нормально открытый одностороннего действия с пружиной
- Работа при высоких температурах до +150°C
- Пневмопривод в комплекте
- Срабатывание при нулевом давлении
- Плавное открытие/закрытие клапана
- Защита трубопровода от гидравлических ударов благодаря специальной конструкции клапана
- Долгий срок службы
- Для правильной работы клапан должен быть установлен так, чтобы направление стрелки было противоположно направлению потока
Для герметизации резьбовых металлических соединений рекомендуется использование анаэробных герметиков
Для защиты клапана от попадания инородных частиц необходима установка фильтра механической очистки перед входным отверстием соленоидного клапана
Принцип действия и область применения: Нормально открытый пневматический клапан одностороннего действия с поршнем – это клапан, в котором закрытое положение сохраняется при подаче управляющего давления на него. При снятии управляющего давления под действием пружины клапан автоматически открывается и открывает поток рабочей среды в трубопроводе.
В большинстве случаев подходит для эксплуатации в системах водоснабжения, теплоснабжения, вентиляции и пневмоуправления. Особенно актуально применение данного типа клапана, когда клапан должен быть открыт большую часть времени либо когда он обязательно должен быть открыт при снятии управляющего давления.
Технические характеристики:
В большинстве случаев подходит для эксплуатации в системах водоснабжения, теплоснабжения, вентиляции и пневмоуправления. Особенно актуально применение данного типа клапана, когда клапан должен быть открыт большую часть времени либо когда он обязательно должен быть открыт при снятии управляющего давления.
| Параметр
| Значение
|
| Рабочая среда | Пар, воздух, инертные газы, вода, горячая вода, масла |
| Материал | Корпуса клапана: латунь
Корпуса привода: алюминий Уплотнения: PTFE |
| Температура рабочей среды клапана | −20...+150°C
|
| Рабочее давление среды | 0...0,8 МПа |
| Диаметр условного прохода | 15...50 мм
|
| Присоединение | Резьбовое G½"...G2" |
| Управляющая среда
| Воздух, нейтральные газы
|
| Управляющее давление
| 0,4...0,8 МПа
|
| Присоединение воздуховодов (порта подачи упр. давления и порта выхлопа) | Резьбовое G⅛" |
| Обозначение | Ду,
мм | Дэф,
мм |
Внутр.
диаметр привода, мм
| Kv,
м³/ч | Присоединение | Вес, г | ||||||
| Клапана
P1 | Порта упр.
давления P2 | Порта
выхлопа P3 | ||||||||||
| ПК12-1-032х015 GBP | 15 | 13 | 32 | 4 | ½" |
⅛"
|
⅛"
| 380 | ||||
| ПК12-1-032х020 GBP | 20 | 16 | 32 | 5 | ¾" | 450 | ||||||
| ПК12-1-032х025 GBP | 25 | 22 | 32 | 10 | 1" | 610 | ||||||
| ПК12-1-050х040 GBP | 40 | 34 | 50 | 25 | 1½" | 1650 | ||||||
| ПК12-1-063х050 GBP | 50 | 43 | 63 | 40 | 2" | 2320 | ||||||
ПК12 – модель клапана.
1 – тип клапана: одностороннего действия.
032 – внутренний диаметр привода.
015 – Ду, мм (диаметр условного прохода).
X – присоединение: G – трубная резьба.
Y – материал корпуса: B – латунь.
Z – материал уплотнения: P – PTFE
| Габаритные размеры |
![]() |
| Модель
| Размеры, мм
| ||||||||
| Внутр.
диаметр привода, К | A | B | C | D | F | P1 | P2 | P3 | |
| ПК12-1-032х015 GBP | 32 | 103 | 25 | 45 | 14 | 38 | G½" | G⅛" | G⅛" |
| ПК12-1-032х020 GBP | 32 | 109 | 31 | 50 | 17,5 | 38 | G¾" | G⅛" | G⅛" |
| ПК12-1-032х025 GBP | 32 | 118 | 38 | 64,5 | 22 | 38 | G1" | G⅛" | G⅛" |
| ПК12-1-050х040 GBP | 50 | 168 | 54 | 82 | 30,5 | 55 | G1½" | G⅛" | G⅛" |
| ПК12-1-063х050 GBP | 63 | 177 | 67 | 100 | 37,5 | 68 | G2" | G⅛" | G⅛" |
Версия: 2026-03-19-СДГ
| Документ | Дата обновления |
| Паспорт на ПК12-1 | 20.03.2026 |
