КПР-2Ф с электроприводом ЭПР7
Доступен для скачивания
краткий каталог продукции:
Кран шаровой фланцевый КПР-2Ф с электроприводом ЭПР7 предназначен для управления потоком рабочей среды в трубопроводеОсобенности:
Модификации:
Расшифровка обозначения на примере крана КПР-2Ф-025 XYZ:
КПР-2Ф – модель крана.
025 – Ду, мм (диаметр условного отверстия).
X – присоединение: F – фланцевое.
Y – материал корпуса: S – нержавеющая сталь.
- Угол полного поворота: 90°
- Долгий срок службы
- Поставляется в сборе с монтажным крепежом КМКУ и переходником ПМКУ
Для защиты прибора от попадания инородных частиц необходима установка фильтра механической очистки перед входным отверстием крана
Для герметизации резьбовых/фланцевых металлических соединений рекомендуется использование анаэробных герметиков
Для герметизации резьбовых/фланцевых металлических соединений рекомендуется использование анаэробных герметиков
| Параметр
| Значение
|
| Рабочая среда | Пар, вода, горячая вода, воздух, инертные газы,
природный газ, масла, азотная кислота, уксус |
| Материал | Корпуса: нержавеющая сталь
Уплотнения: PTFE |
| Температура рабочей среды | −20...+150°C |
| Рабочее давление | 0,0...1,6 МПа
|
| Диаметр условного прохода | 15...100 мм |
| Присоединение крана
| Фланцевое F½″...F4" |
| Стандарт присоединения крана к приводу | ISO5211 |
| Модель электропривода | ЭПР7 |
| Питание электропривода | ~220 В, =24 В |
Модификации:
| Модель
| Ду, мм
| Kv, м³/ч
| Присоединение
| Посадочный размер, мм
| Вес, г
|
| КПР-2Ф-015 FSP | 15 | 20 | F½" | 9×9 | 2300 |
| КПР-2Ф-020 FSP | 20 | 38 | F¾" | 9×9 | 3000 |
| КПР-2Ф-025 FSP | 25
| 69
| F1"
| 11×11
| 3600
|
| КПР-2Ф-032 FSP | 32
| 93
| F1¼"
| 11×11
| 4400
|
| КПР-2Ф-040 FSP | 40
| 144
| F1½"
| 14×14
| 6200
|
| КПР-2Ф-050 FSP | 50
| 229
| F2"
| 14×14
| 8000
|
| КПР-2Ф-065 FSP | 65
| 404
| F2½"
| 17×17
| 11 100
|
| КПР-2Ф-080 FSP | 80 | 573 | F3" | 17×17 | 13 700 |
| КПР-2Ф-100 FSP
| 100
| 936
| F4"
| 17×17
| 17 100
|
КПР-2Ф – модель крана.
025 – Ду, мм (диаметр условного отверстия).
X – присоединение: F – фланцевое.
Y – материал корпуса: S – нержавеющая сталь.
Z – материал уплотнения: P – PTFE.
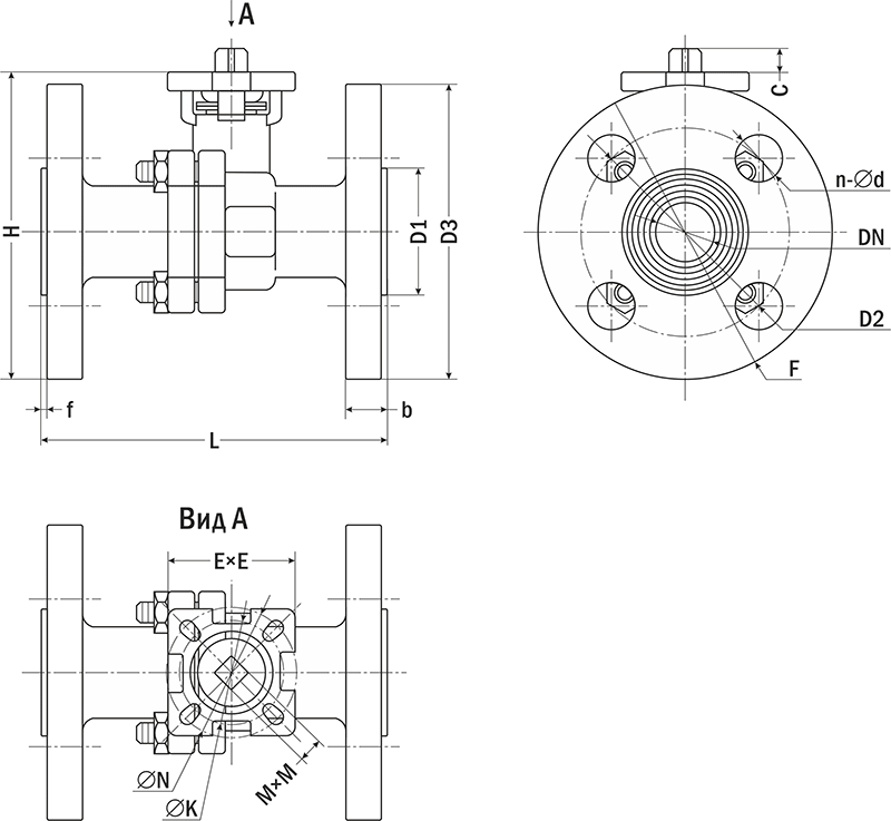
Таблица выбора привода для крана КПР-2Ф
| Габаритные размеры
|
![]() |
| Модель КПР-2Ф
| Размеры, мм
| ||||||||||||||
| DN
| F
| b
| C
| D1 | D2 | D3 | E×E
| f
| H
| L
| M×M | N
| K
| n-∅ d | |
| -015
| 15
| F½"
| 16
| 11
| 44
| 65
| 93
| 44×44
| 2
| 97
| 115
| 9×9
| 42 (F04)
| 36 (F03)
| 4-14
|
| -020
| 20
| F¾"
| 18
| 14
| 57
| 75
| 104
| 44×44
| 2
| 106
| 120
| 9×9
| 42 (F04)
| 36 (F03)
| 4-14
|
| -025 | 25 | F1" | 18 | 11 | 67,5 | 85 | 114 | 50×50 | 2 | 117 | 124 | 11×11 | 42 (F04) | 50 (F05) | 4-14 |
| -032 | 32 | F1¼" | 16 | 12 | 78 | 102 | 141 | 49×49 | 2 | 143 | 131 | 11×11 | 42 (F04) | 50 (F05) | 4-18 |
| -040
| 40 | F1½" | 17,5
| 18
| 88 | 110 | 150 | 68×68
| 2
| 154
| 138
| 14×14
| 50 (F05)
| 70 (F07)
| 4-18 |
| -050
| 50 | F2" | 20
| 14
| 101 | 125 | 163 | 69×69
| 3
| 166
| 150
| 14×14
| 50 (F05)
| 70 (F07)
| 4-18 |
| -065 | 65 | F2½" | 18,5
| 18
| 122 | 145 | 185 | 95×95
| 3
| 193
| 170
| 17×17
| 70 (F07)
| 102 (F10)
| 4-18 |
| -080 | 80 | F3" | 21
| 21
| 137 | 160 | 198 | 96×96
| 3,5
| 213
| 182
| 17×17
| 70 (F07)
| 102 (F10)
| 8-18 |
| -100
| 100
| F4"
| 20,5
| 24
| 156
| 180
| 217
| 95×95
| 3
| 246
| 191
| 17×17
| 70 (F07)
| 102 (F10)
| 8-18 |
Версия: 2024-02-16-ШАР
| Документ | Дата обновления |
| Паспорт на КПР-2Ф | 22.06.2025 |
