КПР-3Ф с электроприводом ЭПР7
Доступен для скачивания
краткий каталог продукции:
Кран шаровой фланцевый КПР-3Ф с электроприводом ЭПР7 предназначен для управления потоком рабочей среды в трубопроводеОсобенности:
Модификации:
Расшифровка обозначения на примере крана КПР-3Ф-025 XYZ:
КПР-3Ф – модель крана.
025 – диаметр условного прохода в мм.
X – присоединение: F – фланцевое.
Y – материал корпуса: S – нержавеющая сталь.
Версия: 2024-02-19-ШАР
- Угол полного поворота: 90°
- Долгий срок службы
- Поставляется в сборе с монтажным крепежом КМКУ и переходником ПМКУ
Для защиты прибора от попадания инородных частиц необходима установка фильтра механической очистки перед входным отверстием крана
Для герметизации резьбовых/фланцевых металлических соединений рекомендуется использование анаэробных герметиков
Для герметизации резьбовых/фланцевых металлических соединений рекомендуется использование анаэробных герметиков
| Параметр
| Значение
|
| Рабочая среда | Вода, горячая вода, воздух, инертные газы,
природный газ, масла, азотная кислота, уксус |
| Материал | Корпуса: нержавеющая сталь
Уплотнения: PTFE |
| Температура рабочей среды | −20...+150°C |
| Рабочее давление | 0...4 МПа
|
| Диаметр условного прохода | 15...100 мм |
| Присоединение крана
| Фланцевое F½"...F4" |
| Стандарт присоединения крана к приводу | ISO5211 |
| Модель электропривода | ЭПР7 |
| Питание электропривода | ~220 В, =24 В |
Модификации:
| Модель
| Ду, мм
| Kv, м³/ч
| Присоединение
| Посадочный размер, мм
| Вес, г
|
| КПР-3Ф-015 FSP | 15 | 20 | F½" | 9×9 | 1600 |
| КПР-3Ф-020 FSP | 20 | 38 | F¾" | 9×9 | 2300 |
| КПР-3Ф-025 FSP | 25
| 69
| F1"
| 11×11
| 2900
|
| КПР-3Ф-032 FSP | 32
| 93
| F1¼"
| 11×11
| 4400
|
| КПР-3Ф-040 FSP | 40
| 144
| F1½"
| 14×14
| 5600
|
| КПР-3Ф-050 FSP | 50
| 229
| F2"
| 14×14
| 8000
|
| КПР-3Ф-065 FSP | 65
| 404
| F2½"
| 17×17
| 11 100
|
| КПР-3Ф-080 FSP | 80
| 573
| F3"
| 17×17
| 18 000
|
| КПР-3Ф-100 FSP | 100 | 936 | F4" | 17×17 | 22 000 |
КПР-3Ф – модель крана.
025 – диаметр условного прохода в мм.
X – присоединение: F – фланцевое.
Y – материал корпуса: S – нержавеющая сталь.
Z – материал уплотнения: P – PTFE.
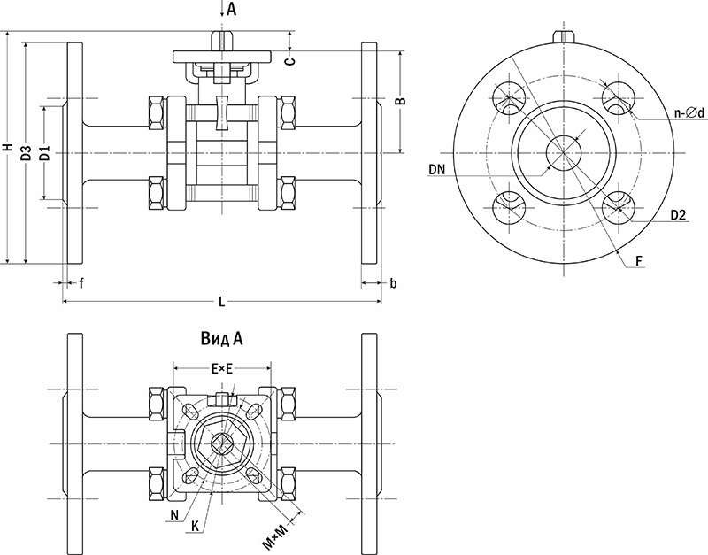
Таблица выбора привода для крана КПР-3Ф
| Габаритные размеры
|
|
| Модель КПР-3Ф
| Размеры, мм
| |||||||||||||||
| DN
| F
| B | b
| C
| D1 | D2 | D3 | E×E
| f
| H
| L
| M×M | N
| K
| n-∅ d | |
| -015
| 15
| F½"
| 40
| 11
| 11,5
| 42
| 65
| 93
| 43×43
| 1,5
| 98
| 129
| 9×9
| 42 (F04)
| 36 (F03)
| 4-14
|
| -020
| 20
| F¾"
| 44
| 18
| 12
| 58
| 75
| 103
| 43×43
| 2
| 108
| 150
| 9×9
| 42 (F04)
| 36 (F03)
| 4-14
|
| -025
| 25
| F1" | 52 | 18
| 13
| 67
| 85 | 115 | 49×49
| 2
| 123
| 156
| 11×11
| 42 (F04)
| 50 (F05)
| 4-14 |
| -032
| 32 | F1¼" | 65 | 15,5
| 12
| 74
| 100 | 132 | 49×49
| 2,5
| 145
| 176
| 11×11
| 42 (F04) | 50 (F05)
| 4-18 |
| -040
| 40 | F1½" | 80 | 14
| 14
| 82
| 110
| 145
| 66×66
| 2
| 167
| 193
| 14×14
| 50 (F05)
| 70 (F07)
| 4-18 |
| -050
| 50 | F2" | 80 | 17
| 16
| 98
| 125
| 160
| 69×69
| 4
| 175
| 230
| 14×14
| 50 (F05)
| 70 (F07)
| 4-18 |
| -065 | 65 | F2½" | 97
| 20
| 17,5
| 117
| 145
| 182
| 94×94
| 3
| 205
| 293
| 17×17
| 70 (F07)
| 102 (F10)
| 8-18 |
| -080 | 80 | F3" | 115
| 20
| 20
| 132
| 160
| 195
| 95×95
| 2,5
| 230
| 313
| 17×17
| 70 (F07)
| 102 (F10)
| 8-18 |
| -100 | 100 | F4" | 120
| 23
| 21
| 156
| 190
| 234
| 93×93
| 2,5
| 275
| 347
| 17×17
| 70 (F07)
| 102 (F10)
| 8-22
|
| Документ | Дата обновления |
| Паспорт на КПР-3Ф | 22.06.2025 |