КПР-Б7 с электроприводом ЭПР7
Доступен для скачивания
краткий каталог продукции:
Дисковый поворотный затвор КПР-Б7 с электроприводом ЭПР7 предназначен для управления потоком рабочей среды в трубопроводе
Особенности:
- Угол полного поворота: 90°
- Бесшумная работа
- Долгий срок службы
- Простая установка
- Поставляется в сборе с монтажным крепежом КМКУ и переходником ПМКУ
Для защиты прибора от попадания инородных частиц необходима установка фильтра механической очистки перед входным отверстием крана
Для герметизации резьбовых/фланцевых металлических соединений рекомендуется использование анаэробных герметиков
Для герметизации резьбовых/фланцевых металлических соединений рекомендуется использование анаэробных герметиков
Технические характеристики:
Модификации:
Расшифровка обозначения на примере затвора КПР-Б7-050 XYZ:
КПР-Б7 – модель затвора.
050 – Ду, мм (диаметр условного отверстия).
X – присоединение: W – межфланцевое.
Y – материал корпуса: H – чугун.
Z – материал уплотнения: E – EPDM
| Параметр
| Значение
|
| Рабочая среда | Вода, горячая вода, воздух, инертные газы, природный газ, азотная кислота, уксус |
| Материал
| Корпуса: чугун
Диска: чугун Уплотнения: EPDM |
| Температура рабочей среды
| −10...+120°C |
| Рабочее давление | 0,0...1,6 МПа |
| Диаметр условного прохода | 50...150 мм |
| Присоединение затвора
| межфланцевое |
| Стандарт присоединения крана к приводу
| ISO5211 |
| Модель электропривода | ЭПР7 |
| Питание электропривода | ~220 В, =24 В |
Модификации:
| Модель
| Ду, мм
| Kv, м³/ч
| Присоединение
| Посадочный размер, мм
| Вес, г
|
| КПР-Б7-050 WYZ
| 50
| 105
| W2"
| 11×11
| 2290
|
| КПР-Б7-065 WYZ
| 65
| 176
| W2½"
| 11×11
| 3027
|
| КПР-Б7-080 WYZ | 80
| 265
| W3"
| 11×11
| 3041
|
| КПР-Б7-100 WYZ | 100 | 594 | W4" | 11×11 | 4442 |
| КПР-Б7-125 WYZ | 125 | 950 | W5" | 14×14 | 6100 |
| КПР-Б7-150 WYZ | 150 | 1622 | W6" | 14×14 | 7520 |
КПР-Б7 – модель затвора.
050 – Ду, мм (диаметр условного отверстия).
X – присоединение: W – межфланцевое.
Y – материал корпуса: H – чугун.
Z – материал уплотнения: E – EPDM
Таблица выбора привода для крана КПР-Б7
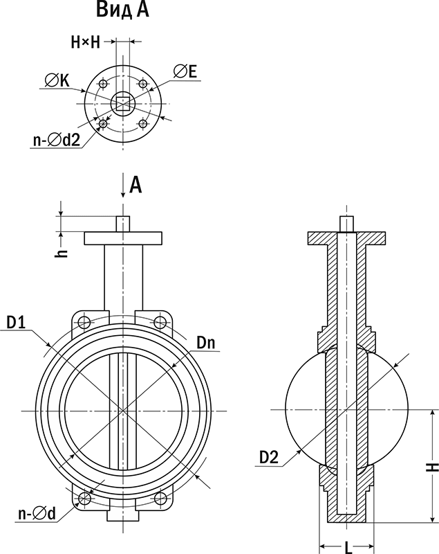
| Габаритные размеры
|
|
| Модель
| Размеры, мм
| |||||||||||
| DN
| D1
| D2
| H
| h
| L
| n-∅ d
| n-∅ d2
| H×H
| ∅ E
| ∅ K
| ||
| КПР-Б7-050
| 50
| 125
| 53
| 80
| 14
| 42
| 4-18
| 4-10
| 11×11
| 70 (F07)
| 90
| |
| КПР-Б7-065
| 65
| 145
| 64,5
| 89
| 14
| 45
| 4-18
| 4-10
| 11×11
| 70 (F07)
| 90
| |
| КПР-Б7-080
| 80
| 160
| 79
| 95
| 14
| 45
| 8-18
| 4-10
| 11×11
| 70 (F07)
| 90
| |
| КПР-Б7-100
| 100
| 180
| 104
| 114
| 14
| 52
| 8-18
| 4-10
| 11×11
| 70 (F07)
| 90
| |
| КПР-Б7-125
| 125
| 210
| 123
| 127
| 17
| 54
| 8-18
| 4-10
| 14×14
| 70 (F07)
| 90
| |
| КПР-Б7-150
| 150
| 240
| 156
| 139
| 17
| 56
| 8-22
| 4-10
| 14×14
| 70 (F07)
| 90
| |
Версия: 2025-05-19-СДГ
| Документ | Дата обновления |
| Паспорт на КПР-Б7 | 12.07.2025 |