КПР-2Ф с электроприводом ЭПР3
Доступен для скачивания
краткий каталог продукции:
Кран шаровой фланцевый КПР-2Ф с электроприводом ЭПР3 предназначен для управления потоком рабочей среды в трубопроводе
Особенности:
- Угол полного поворота: 90°
- Долгий срок службы
- Аварийный самовозврат при отключении питания (опция) с возможность выбора положения, в которое происходит самовозврат – «открыто» или «закрыто»
- Внимание! Если у крана и привода различаются посадочные размеры, то для соединения потребуется монтажный комплект и переходники (не входят в комплект поставки). Менеджеры подбирают их дополнительно при заказе
Для защиты прибора от попадания инородных частиц необходима установка фильтра механической очистки перед входным отверстием крана
Для герметизации резьбовых/фланцевых металлических соединений рекомендуется использование анаэробных герметиков
Для герметизации резьбовых/фланцевых металлических соединений рекомендуется использование анаэробных герметиков
| Параметр
| Значение
|
| Рабочая среда | Пар, вода, горячая вода, воздух, инертные
газы, природный газ, масла, азотная кислота, уксус |
| Материал | Корпуса: нержавеющая сталь
Уплотнения: PTFE |
| Температура рабочей среды | −20...+150°C |
| Рабочее давление | 0,0...1,6 МПа
|
| Диаметр условного прохода | 15...25 мм |
| Присоединение крана
| Фланцевое F½"...F1" |
| Стандарт присоединения крана к приводу | ISO5211 |
| Модель электропривода | ЭПР3 |
| Питание электропривода | ~110...230 В или =24 В |
Модификации:
| Модель
| Ду, мм
| Kv, м³/ч
| Присоединение
| Посадочный размер, мм
| Вес, г
|
| КПР-2Ф-015 FSP
| 15
| 20
| F½"
| 9×9
| 2300 |
| КПР-2Ф-020 FSP | 20
| 38
| F¾"
| 9×9
| 3000 |
| КПР-2Ф-025 FSP | 25
| 69
| F1"
| 11×11
| 3600
|
КПР-2Ф – модель крана.
025 – Ду, мм (диаметр условного отверстия).
X – присоединение: F – фланцевое.
Y – материал корпуса: S – нержавеющая сталь.
Z – материал уплотнения: P – PTFE.
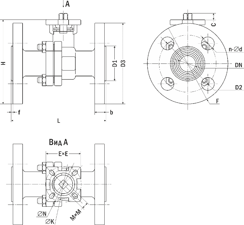
Таблица выбора привода для крана КПР-2Ф
| Габаритные размеры
|
|
| Модель
| Размеры, мм
| ||||||||||||||
| G
| DN
| b
| C
| D1 | D2 | D3 | E×E
| f
| H
| L
| M×M | K
| N
| n-∅ d | |
| КПР-2Ф-015 | F½" | 15 | 16
| 11
| 44 | 65 | 93 | 44×44
| 2 | 97
| 115
| 9×9
| 36 (F03)
| 42 (F04)
| 4-14 |
| КПР-2Ф-020 | F¾" | 20 | 18
| 14
| 57 | 75 | 104 | 44×44
| 2 | 106
| 120
| 9×9
| 36 (F03)
| 42 (F04)
| 4-14 |
| КПР-2Ф-025
| F1"
| 25
| 18
| 11
| 67,5 | 85 | 114 | 50×50
| 2 | 117
| 124
| 11×11
| 42 (F04)
| 50 (F05)
| 4-14 |
Версия: 2024-01-26-ЛВС
| Документ | Дата обновления |
| Паспорт на КПР-2Ф | 22.06.2025 |