КПР-2 с электроприводом ЭПР3У-005
Доступен для скачивания
краткий каталог продукции:
Кран шаровой КПР-2 с электроприводом ЭПР3У-005 предназначен для управления потоком рабочей среды в трубопроводе
Версия: 2024-12-09-СДГ
Особенности:
- Аналоговый сигнал обратной связи 4...20 мА (для передачи информации о положении вала привода в систему управления)
- Угол полного поворота: 90°
- Долгий срок службы
- Внимание! Если у крана и привода различаются посадочные размеры, то для соединения потребуется монтажный комплект и переходники (не входят в комплект поставки). Менеджеры подбирают их дополнительно при заказе
Для защиты прибора от попадания инородных частиц необходима установка фильтра механической очистки перед входным отверстием крана
Для герметизации резьбовых/фланцевых металлических соединений рекомендуется использование анаэробных герметиков
Для герметизации резьбовых/фланцевых металлических соединений рекомендуется использование анаэробных герметиков
Технические характеристики:
Модификации:
Расшифровка обозначения на примере крана КПР-2-025 XYZ:
КПР-2 – модель крана.
025 – диаметр условного прохода в мм.
X – присоединение: G – трубная резьба.
Y – материал корпуса: S – нержавеющая сталь.
Z – материал уплотнения: P – PTFE.
| Параметр
| Значение
|
| Рабочая среда | Пар, вода, горячая вода, воздух, инертные
газы, природный газ, масла, азотная кислота, уксус |
| Материал | Корпуса: нержавеющая сталь
Уплотнения: PTFE |
| Температура рабочей среды | −20...+150°C |
| Рабочее давление | 0,0…6,9 МПа (0,0…1,6 МПа — для пара)
|
| Диаметр условного прохода | 25...50 мм
|
| Присоединение крана
| Резьбовое G1"...G2"
|
| Стандарт присоединения крана к приводу | ISO5211 |
| Модель электропривода | ЭПР3У-005 |
| Питание электропривода | =12...24 В |
| Модель
| Ду, мм
| Kv, м³/ч
| Присоединение
| Посадочный размер, мм
| Вес, г
|
| КПР-2-025 GSP
| 25
| 69
| 1"
| 11×11
| 720 |
| КПР-2-032 GSP
| 32
| 93
| 1¼"
| 11×11
| 1030 |
| КПР-2-040 GSP
| 40
| 144
| 1½"
| 14×14
| 1870
|
| КПР-2-050 GSP
| 50
| 229
| 2"
| 14×14
| 1770
|
КПР-2 – модель крана.
025 – диаметр условного прохода в мм.
X – присоединение: G – трубная резьба.
Y – материал корпуса: S – нержавеющая сталь.
Z – материал уплотнения: P – PTFE.
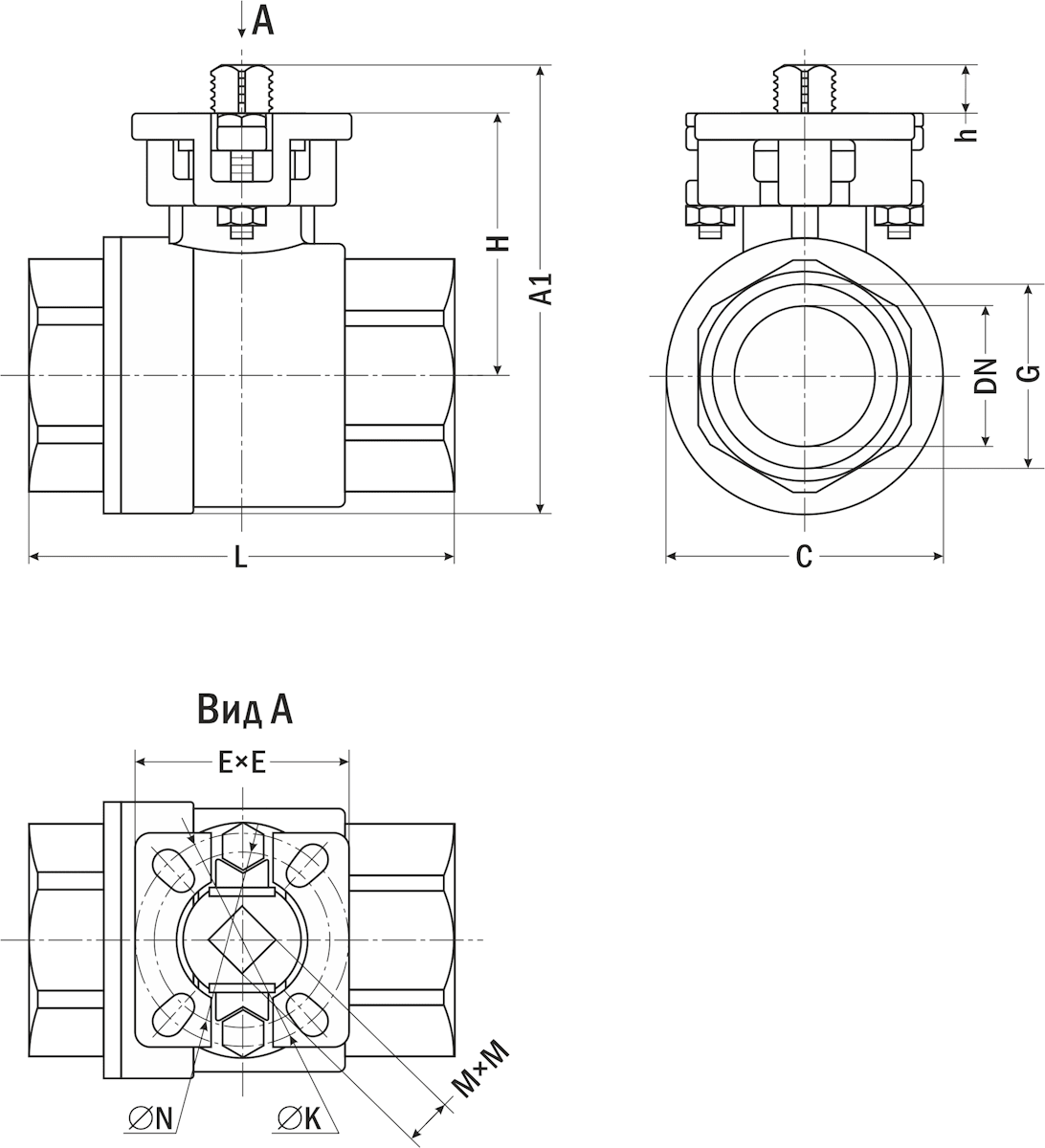
Таблица выбора привода для крана КПР-2
| Габаритные размеры |
|
| Модель
| ||||||||||||
| DN
| G
| Размеры, мм
| ||||||||||
| A1 | C | E×E | H | h | L | M×M | ∅N | ∅K | ||||
| КПР-2-025
| 25
| 1"
| 87
| 50
| 51×51
| 53
| 14
| 79,5
| 11×11
| 42 (F04) | 50 (F05) | |
| КПР-2-032
| 32
| 1¼"
| 106
| 70
| 51×51
| 61
| 11,5
| 96
| 11×11
| 42 (F04) | 50 (F05) | |
| КПР-2-040
| 40
| 1½"
| 123
| 68
| 70×70
| 68
| 16
| 106
| 14×14
| 50 (F05) | 70 (F07) | |
| КПР-2-050
| 50
| 2"
| 140
| 87,5
| 68,5×68,5
| 78
| 17
| 120
| 14×14
| 50 (F05) | 70 (F07) | |
Версия: 2024-12-09-СДГ
| Документ | Дата обновления |
| Паспорт на КПР-2 | 22.06.2025 |