КПР-2Ф с электроприводом ЭПР3У-005
Доступен для скачивания
краткий каталог продукции:
Кран шаровой фланцевый КПР-2Ф с электроприводом ЭПР3У-005 предназначен для управления потоком рабочей среды в трубопроводе
Версия: 2024-12-09-СДГ
Особенности:
- Аналоговый сигнал обратной связи 4...20 мА (для передачи информации о положении вала привода в систему управления)
- Угол полного поворота: 90°
- Долгий срок службы
- Внимание! Если у крана и привода различаются посадочные размеры, то для соединения потребуется монтажный комплект и переходники (не входят в комплект поставки). Менеджеры подбирают их дополнительно при заказе
Для защиты прибора от попадания инородных частиц необходима установка фильтра механической очистки перед входным отверстием крана
Для герметизации резьбовых/фланцевых металлических соединений рекомендуется использование анаэробных герметиков
Для герметизации резьбовых/фланцевых металлических соединений рекомендуется использование анаэробных герметиков
Технические характеристики:
Модификации:
Расшифровка обозначения на примере крана КПР-2Ф-025 XYZ:
КПР-2Ф – модель крана.
025 – Ду, мм (диаметр условного отверстия).
X – присоединение: F – фланцевое
Y – материал корпуса: S – нержавеющая сталь.
Z – материал уплотнения: P – PTFE.
| Параметр
| Значение
|
| Рабочая среда | Пар, вода, горячая вода, воздух, инертные
газы, природный газ, масла, азотная кислота, уксус |
| Материал | Корпуса: нержавеющая сталь
Уплотнения: PTFE |
| Температура рабочей среды | −20...+150°C |
| Рабочее давление | 0,0…1,6 МПа
|
| Диаметр условного прохода | 25...50 мм
|
| Присоединение крана
| Фланцевое F1″...F2"
|
| Стандарт присоединения крана к приводу | ISO5211 |
| Модель электропривода | ЭПР3У-005 |
| Питание электропривода | =12...24 В |
| Модель
| Ду, мм
| Kv, м³/ч
| Присоединение
| Посадочный размер, мм
| Вес, г
|
| КПР-2Ф-025 FSP
| 25
| 69
| F1"
| 11×11
| 3600 |
| КПР-2Ф-032 FSP
| 32
| 93
| F1¼"
| 11×11
| 4400 |
| КПР-2Ф-040 FSP
| 40
| 144
| F1½"
| 14×14
| 6200
|
| КПР-2Ф-050 FSP
| 50
| 229
| F2"
| 14×14
| 8000
|
КПР-2Ф – модель крана.
025 – Ду, мм (диаметр условного отверстия).
X – присоединение: F – фланцевое
Y – материал корпуса: S – нержавеющая сталь.
Z – материал уплотнения: P – PTFE.
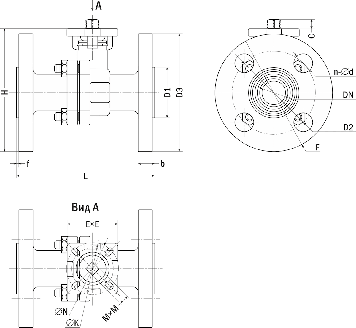
Таблица выбора привода для крана КПР-2Ф
| Габаритные размеры |
|
| Модель
КПР-2Ф | ||||||||||||||||
| DN
| F
| Размеры, мм
| ||||||||||||||
| b | C | D1 | D2 | D3 | E×E | f | H | L | M×M | K | N | n-∅d | ||||
| -025
| 25
| F1"
| 18
| 11
| 67,5 | 85 | 114 | 50×50
| 2
| 117
| 124
| 11×11
| 42 (F04) | 50 (F05) | 4-14 | |
| -032
| 32
| F1¼"
| 16
| 12
| 78 | 102 | 141 | 49×49
| 2
| 143
| 131
| 11×11
| 42 (F04) | 50 (F05) | 4-18 | |
| -040
| 40
| F1½"
| 17,5
| 18
| 88 | 110 | 150 | 68×68
| 2
| 154
| 138
| 14×14
| 50 (F05) | 70 (F07) | 4-18 | |
| -050
| 50
| F2"
| 20
| 14
| 101 | 125 | 163 | 69×69
| 3
| 166
| 150
| 14×14
| 50 (F05) | 70 (F07) | 4-18 | |
Версия: 2024-12-09-СДГ
| Документ | Дата обновления |
| Паспорт на КПР-2Ф | 22.06.2025 |