КПР-Б8 с электроприводом ЭПР1
Доступен для скачивания
краткий каталог продукции:
Дисковый поворотный затвор КПР-Б8 с электроприводом ЭПР1 предназначен для управления потоком рабочей среды в трубопроводе
Особенности:
Особенности:
- Угол полного поворота: 90°
- Бесшумная работа
- Долгий срок службы
- Простая установка
- Поставляется в сборе с монтажным крепежом КМКУ и переходником ПМКУ
Для защиты прибора от попадания инородных частиц необходима установка фильтра механической очистки перед входным отверстием крана
Для герметизации резьбовых/фланцевых металлических соединений рекомендуется использование анаэробных герметиков
Для герметизации резьбовых/фланцевых металлических соединений рекомендуется использование анаэробных герметиков
Технические характеристики:
Модификации:
Расшифровка обозначения на примере затвора КПР-Б8-050 XYZ:
КПР-Б8 – модель затвора.
050 – Ду, мм (диаметр условного отверстия).
X – присоединение: W – межфланцевое.
Y – материал корпуса: H – чугун.
Z – материал уплотнения: E – EPDM
| Параметр
| Значение
|
| Рабочая среда | Вода, горячая вода, воздух, инертные газы, природный газ, азотная кислота, уксус |
| Материал
| Корпуса: чугун
Диска: чугун Уплотнения: EPDM |
| Температура рабочей среды
| −10...+120°C |
| Рабочее давление | 0,0...1,6 МПа |
| Диаметр условного прохода | 50...150 мм |
| Присоединение затвора
| межфланцевое |
| Стандарт присоединения крана к приводу
| ISO5211 |
| Модель электропривода | ЭПР1 |
| Питание электропривода | ~220 В, =24 В или от трехфазной сети ~380 В |
Модификации:
| Модель
| Ду, мм
| Kv, м³/ч
| Присоединение
| Посадочный размер, мм
| Вес, г
|
| КПР-Б8-050-WHE | 50 | 105 | W2" | 9×9 | 4800 |
| КПР-Б8-100-WHE | 100 | 594 | W4" | 11×11 | 3940 |
| КПР-Б8-150-WHE | 150 | 1622 | W6" | 14×14 | 14350 |
КПР-Б8 – модель затвора.
050 – Ду, мм (диаметр условного отверстия).
X – присоединение: W – межфланцевое.
Y – материал корпуса: H – чугун.
Z – материал уплотнения: E – EPDM
Таблица выбора привода для затвора КПР-Б8
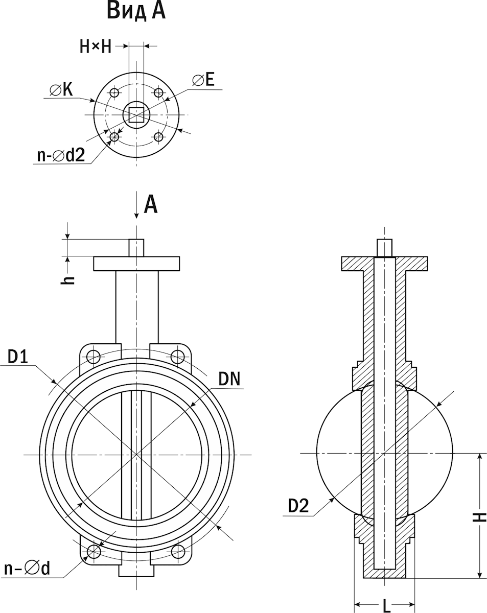
| Габаритные размеры
|
![]() |
| Модель
| |||||||||||
| Dn
| Размеры, мм | ||||||||||
| D1 | D2 | H | h
| L
| n-∅ d | n-∅ d2 | H×H | ∅ E | ∅ K | ||
| КПР-Б8-050 | 50 | 89 | 51 | 68 | 20 | 46 | 4-16 | 4-7 | 9×9 | 50 (F05) | 76 |
| КПР-Б8-100 | 100 | 150 | 104 | 109 | 19 | 51 | 4-18 | 8-10 | 11×11 | 70 (F07) | 90 |
| КПР-Б8-150 | 150 | 204 | 155 | 138 | 24 | 60 | 4-20 | 8-10 | 14×14 | 70 (F07) | 90 |
Версия: 2025-05-19-СДГ
| Документ | Дата обновления |
| Паспорт на КПР-Б8 | 12.07.2025 |
