РДУ-М
Доступен для скачивания
краткий каталог продукции:
Ротационные (флажковые) датчики уровня серии РДУ-М предназначены для контроля предельного уровня сыпучих материалов. Основной функцией ротационных датчиков уровня является формирование дискретного управляющего сигнала при достижении контролируемым материалом необходимого уровня.
Особенности:
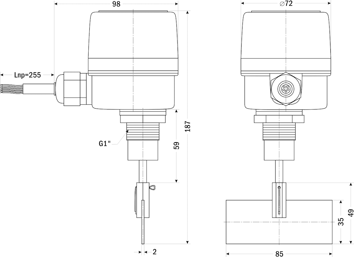
- РДУ-М более компактен по сравнению с РДУ, меньший установочный размер 3/4" вместо 1"
- Регулировка чувствительности датчика при помощи изменения жесткости пружины, прижимающей эксцентриковую систему «электродвигатель-редуктор»
- Универсальное монтажное положение
- Простой и быстрый монтаж
- Прочная конструкция
- Отсутствие необходимости в обслуживании
- Для установки датчиков РДУ-М по месту эксплуатации используется бобышка БПА-G3/4-22
- Для питания датчиков =24 В используются блоки питания, например, БП67, БП97, DR
Электродвигатель с редуктором образуют эксцентриковую систему, которая зафиксирована пружиной растяжения. Если лопасть датчика не соприкасается с сыпучим материалом, крутящий момент передается от двигателя к редуктору, а от редуктора к валу с лопастью. Как только лопасть соприкасается с сыпучим материалом, вал датчика останавливается, а эксцентриковая система «электродвигатель-редуктор», преодолевая сопротивление пружины, отключает питание электродвигателя и переключает выходной контакт датчика.
Как только лопасть датчика освобождается от сыпучего материала, эксцентриковая система «электродвигатель-редуктор» под действием пружины растяжения возвращается в исходное положение, освобождая микропереключатели. При этом возобновляется подача напряжения питания на электродвигатель, а выходной контакт датчика переключается в исходное состояние. После этого вал датчика с лопастью вновь начинает вращаться.
Ротационные датчики уровня широко применяются в пищевой, химической, горнодобывающей и зерноперерабатывающей отраслях промышленности для контроля уровня следующих материалов:
- сырья для производства изделий из ПВХ и ПЭТ (ПВХ-гранулята, ПЭТ-гранул);
- различных строительных материалов (цемента, гипса, готовых сухих смесей, песка, щебня);
- cыпучих пищевых продуктов (муки, сахара, крахмала);
- cельскохозяйственной продукции (зерновых культур, подсолнечника, комбикормов);
- древесные сыпучие материалы (опилки, стружка, пеллетные гранулы).
| Параметр | Значение | |
| Питание
| ~220 В | =24 В |
| Мощность электродвигателя
| 2 Вт | 21 Вт |
| Крутящий момент электродвигателя
| 1 Н∙м | |
| Скорость вращения электродвигателя
| 1 об./мин
| |
| Присоединение | Резьбовое G¾" | |
| Тип управляющего контакта
| 1 переключающий | |
| Коммутационная способность реле
| ~10 А, 220 В | |
| Степень пылевлагозащиты
| IP65
| |
| Температура рабочей среды | −20...+80°С | |
| Температура хранения
| −20...+125°С
| |
| Материал корпуса прибора | Силумин | |
| Материал лопастей
| Нержавеющая сталь | |
| Присоединение лопасти
| Шпилька | |
| Длина кабеля | 255 мм
погрешность длины кабеля ±5% | |
| Габаритные размеры (с лопастью) | 187×98×85 мм | |
| Вес | 767 г | |
| Габаритные размеры |
![]() |
| Документ | Дата обновления |
| Паспорт на РДУ-М | 16.09.2025 |
