ПК23-2
Доступен для скачивания
краткий каталог продукции:
Пневматический клапан двустороннего действия с поршнем ПК23-2 предназначен для управления потоком рабочей среды в трубопроводе
Особенности:
Модификации:
Расшифровка обозначения на примере клапана ПК23-2-025х015 XYZ:
ПК23 – модель клапана.
2 – тип клапана: одностороннего действия.
025 – внутренний диаметр привода.
015 – Ду, мм (диаметр условного прохода).
X – присоединение: G – трубная резьба.
Y – материал корпуса: B – латунь.
Z – материал уплотнения: P – PTFE.
Версия: 2026-03-19-СДГ
Особенности:
- Клапан двустороннего действия без пружины
- Работа при высоких температурах до +200°C
- Пневмопривод в комплекте
- Высокая пропускная способность
- Плавное открытие/закрытие клапана с защитой трубопровода от гидравлических ударов
- Долгий срок службы
- Для защиты клапана от попадания инородных частиц необходима установка фильтра механической очистки перед входным отверстием соленоидного клапана
- Для герметизации резьбовых металлических соединений рекомендуется использование анаэробных герметиков
ПК23-2 представляет собой пневматический клапан двустороннего действия с поршнем, который открывается при подаче управляющего давления на нижний порт клапана и закрывается при подаче управляющего давления на верхний порт клапана.
Пневматический клапан ПК23-2 предназначен для управления потоком рабочей среды в трубопроводе.
Технические характеристики:
| Параметр
| Значение
|
| Рабочая среда | Пар, воздух, инертные газы, вода, горячая вода, масла |
| Материал | Корпуса клапана: латунь
Корпуса привода: алюминий Уплотнения: PTFE |
| Температура рабочей среды клапана | −60...+200°C |
| Рабочее давление среды | 0,15...0,8 МПа |
| Диаметр условного прохода | 50 мм |
| Присоединение | Резьбовое G½" |
| Управляющая среда
| Воздух, нейтральные газы
|
| Управляющее давление
| 0,4...0,8 МПа
|
| Присоединение воздуховодов (портов подачи управляющего давления) | Резьбовое G⅛"
|
| Обозначение | Ду,
мм | Дэф,
мм |
Внутр. диаметр
привода, мм | Kv,
м³/ч | Присоединение | Вес, г | ||||||
|
Клапана
| Воздуховодов | |||||||||||
| ПК23-2-025х015 GBP | 15 | 13 | 25 | 4 | ½" |
⅛"
| 210 | |||||
ПК23 – модель клапана.
2 – тип клапана: одностороннего действия.
025 – внутренний диаметр привода.
015 – Ду, мм (диаметр условного прохода).
X – присоединение: G – трубная резьба.
Y – материал корпуса: B – латунь.
Z – материал уплотнения: P – PTFE.
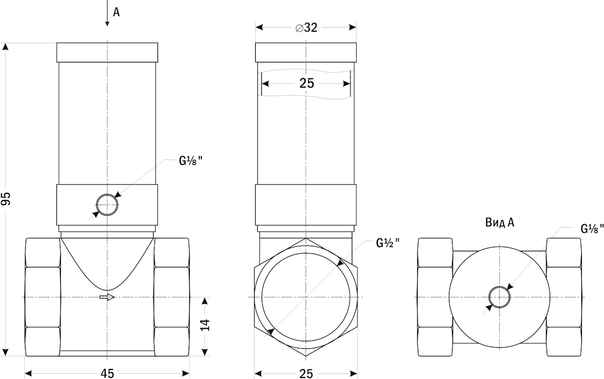
| Габаритные размеры |
![]() |
Версия: 2026-03-19-СДГ
| Документ | Дата обновления |
| Паспорт на ПК31-2 | 20.03.2026 |
